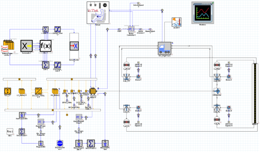
Virtual Test Bed (VTB)
Virtual Test Bed (VTB)
- Vehicle energy audit for conventional vehicle an electric vehicle
- Fuel consumption prediction through simulation for ICE vehicle
- Parameter sensitivity analysis
- Electric vehicle range estimation
- Regen strategies
- Brake blending logic development



